Printable Template DB
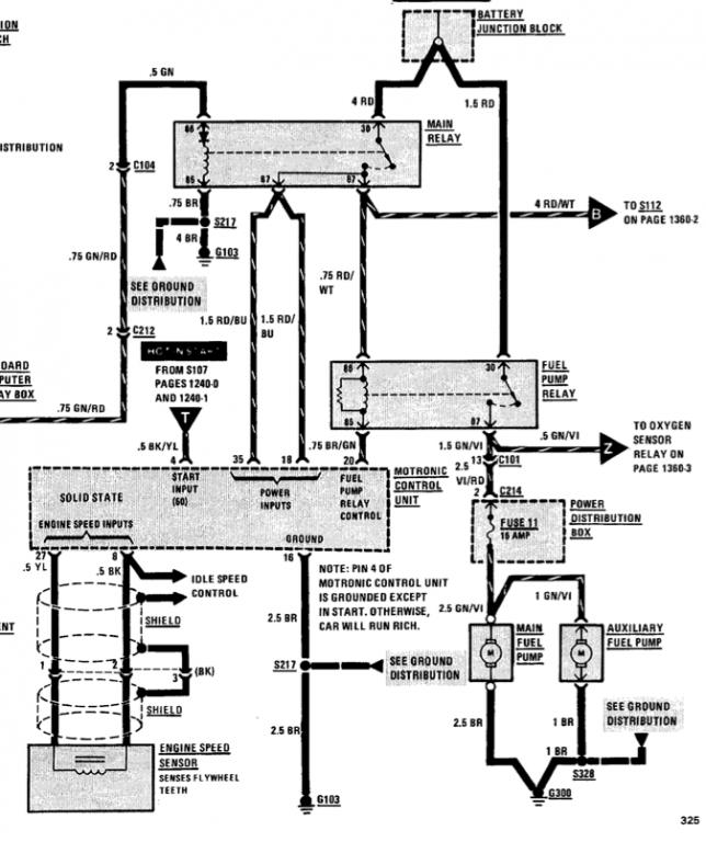
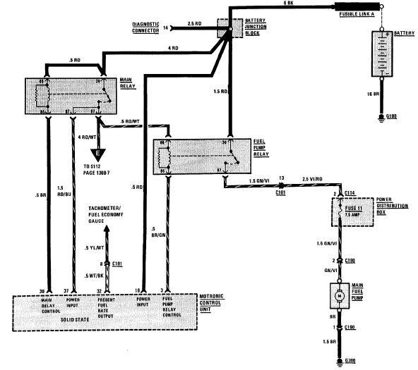
E30 Bmw Relay Diagram
motivation letter for scholarship master s degree sample pdf
microsoft excel calendar template 2018
vaccine storage and handling sop worksheet
printable child id card
mini sim to micro sim template pdf
school daily schedule template for kids
residential free lease agreement template
meeting wise agenda template
Bmw Fuse Box E30 Wiring Diagrams
E30 325i Fuse Diagram Machine Learning
1989 Bmw 325is Fuse Box Wiring Diagram
1986 325e Fuse Box Catalogue Of Schemas
The Bmw E30 No Start Guide Eeuroparts Com Blog
Solved Hi I Need A 1986 Bmw 325 Fuse Box Diagram With The
E30 Fuse Box K9 Wiring Diagram
E30 Fuse Diagram Wiring Diagrams Folder
E30 Fuse Box K9 Wiring Diagram
1990 Bmw 325i Fuse Box Diagram Schematics Online
Bmw E30 Fuse Diagram List Of Wiring Diagrams
Bmw Fuse Box E30 Wiring Diagrams
1999 Bmw 528i Fuse Box Diagram Schematics Online
Bmw 318i Fuse Box Diagram Wiring Diagram
Bmw M3 Fuse Box Catalogue Of Schemas
E30 Relay Diagram Catalogue Of Schemas
Alternator Relay Diagram Wiring Diagrams Folder
No Power To Fuel Pump Fuse R3vlimited Forums
Solved Hi I Need A 1986 Bmw 325 Fuse Box Diagram With The
E30 M3 Fuel Pump Relay Location Pelican Parts Forums
E30 Engine Diagram Catalogue Of Schemas
Source :
pinterest.com
Popular Posts
Where To Buy Kumon Worksheets
Professional Resume Template Finance
Printable Minnie Mouse Bow
Vehicle Wrap Templates Photoshop
Sample Letter To Raise Tenants Rent
Wiring Diagram For Trailer Board
Sample College Admission Essay Examples
Mileage Tracker Spreadsheet Template
Wiring Harnes Pellet Stove
Offer To Purchase Template South Africa
Probation Evaluation Form Template
Vespa Gt200 Fuse Box Location
Sample 360 Feedback Template
Modern Free Resume Templates
Phr Certification Atlanta
Round 7 Pin Trailer Plug Diagram
Make My Own Resume For Free
Micrometer Calibration Certificate
Sc400 Wiring Harnes
Polari Diesel Fuel Filter
Submit Your Resume Online
Monthly Workout Calendar Template
Sample Full Recourse Promissory Note
Printable Photography Contract Free
Motor Starter Circuit Diagram
Ms Project Sample Construction Schedule
Promo Code Resume Professional Writers
Video Game Design Document Template
Registration Confirmation Email Template Html Code
Wiring Diagram For 2001 Mercury Villager
Wiring Diagram For 1998 Chevy S10 Blazer 94
Real Estate Attorney Resume
Writing A Book Review Middle School Template
Venous Insufficiency Ultrasound Worksheet
What To Put Under Your Name In A Resume
Travel Themed Invitation Template Free
To Start Engine On Engine Stand Wiring
Sample Financial Proposal For Consultancy Unicef
Siruthai Movie Comedy Templates
Nordyne Intertherm Wiring Diagram
Map Scale Worksheets For Middle School
Sample Resume For Employment Specialist
Law Firm Billing Template
Wiring Diagram Vendo 39
Medical Slideshow Template
Performance Evaluation Template For Managers
Psychology Powerpoint Templates
Rv Trailer Electrical Wiring
Rental Contract Template Florida
Sample Office Memo Template
Printable Excel Spreadsheet
Lego Party Invitation Template
Payroll Document Sample Payroll Summary Report Template Excel
Sample Template For Obituary
What Information Is Ordinarily Included On A Resume