Printable Template DB
Wiring Harnes For 2008 Chrysler Aspen
ford transit fuel filter location
how to write up a resume for a job
avery 5972 template download
excel spreadsheet handover checklist excel template
business report cover page template free download
kid acting resume samples
cool resume templates for word
audio spectrum template kinemaster
Aftermarket Chrysler Aspen Stereo Wiring Diagram From Seicane
Trailer Wiring Harness Installation 2008 Chrysler Aspen Etrailer Com
Chrysler 2007 2008 Aspen Car Cd Stereo Receiver Dash Install Mounting Kit Wire Harness Radio Antenna Adapter
2008 Chrysler Aspen Junction Block Fuses Relays
Asc Audio Premium Car Stereo Wire Harness And Antenna Adapter For Some Dodge Chrysler Jeep Vehicles Works With And Without Factory Amp Built In 12
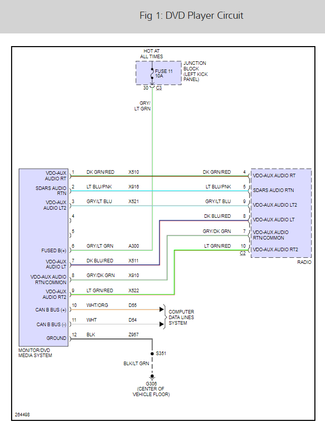
Wiring Harness For 2008 Chrysler Aspen Technical Diagrams
Amazon Com Chrysler 2008 2009 Aspen Car Cd Stereo
Wrg 6273 Wiring Harness For Chrysler Aspen
Chrysler Aspen Wiring Harness Wiring Diagram
Trailer Wiring Harness Installation 2008 Chrysler Aspen Etrailer Com
Details About Car Stereo Cd Player Radio Wiring Harness For Chrysler Aspen 2008 2009
2008 Chrysler Aspen Spark Plugs Ignition Coil
2008 Chrysler Aspen Information Autoblog
Speaker And Amp Install I Need A Wire Diagram For The Input
Sh615 Wiring Harness Same As Chr 1642 Cwh 642 Metra 70 6522 Scosche Cr04b
2008 Chrysler Aspen Limited 1a8hw582x8f138327 Hubler
Can T Find Where Clip Connects Fuel Injector Wiring
Amazon Com Car Radio Wiring Harness Wire Fakra Adapter
Speaker And Amp Install I Need A Wire Diagram For The Input
2008 Aspen Brake Controller Plug In Location Chrysler
Used 2008 Chrysler Aspen Limited Suv In Claremore Ok Auto Com 1a8hw58218f158501
Source :
pinterest.com
Popular Posts
Test Template For Teachers
Printable 1096 Form 2017
Payroll Remittance Form Sample
Publix Stock Certificate
Sample Thank You Letter For Donation To Church
New Years Eve Invitation Templates
Safety In The Small Gas Engine Shop Worksheet Answers
Letter Of Recommendation Template For Employee To Graduate School
Roles And Responsibilities Template Powerpoint
Polo Factory Store Coupons Printable
Wiring Diagram For 2003 Buick Lesabre
Portfolio Template Html Css Free Download
Small Business Daily Sales Report Sample
Macys Coupons Printable August 2018
Professional Resume Template Free
Retirement Program Templates Free
Small Receipt Book
Staff Calendar Template
Restaurant General Manager Job Description Sample
Sprat Irata Certification
Prizm Ignition System Wiring
Project Management Process Flow Chart Template
Mobile Website Templates Free Download
Printable Gender Reveal Prediction Cards
Physical Security Incident Report Template
Wiring Electrical Outlet In A Series Diagram
Timesheet Template In Spanish
Rn Coding Certification
Travel Allowance Claim Form Template
Tarp Motor Wiring Diagram
Writing A Childrens Book Template Download
School Fees Invoice Template
Seed Packet Template For Microsoft Word
Quick Resume Tips
Missouri Servsafe Certification
Sample Resignation Letter From Teaching Position
Opel Kadett 1 6 Wiring Diagram
Pioneer Dvd Car Audio Wiring Harnes
Spanish Learning Worksheets Free
Mercede W211 Fuse Box
Large Printable Labels
Sample Letter Of Complaint Letter
Printable Rx Coupons
Past Due Email Template
Toyotum Mr2 Radio Wiring Diagram
Street Performance Ls3 Wiring Harnes
Recommendation Letter Sample For Medical School
Oh Happy Printables Discount Code
Resume Letter Of Intent Sample
Resume Format For Nursing Job Free Download
Married Filing 1040 Sample Form Filled Out 2018
Mechanical Engineering Resume Objective
Line Tracing Preschool Tracing Worksheets Pdf
Puppy Potty Training Schedule Template
Printable Script Writing Template For Kids