Mtd Gold Wiring Schematic

Mtd outdoor power equipment has earned a reputation of affordable quality.
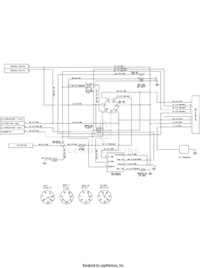
Mtd gold wiring schematic. Mtd parts and mtd parts diagrams mtd and the mtd logo mtd products inc cleve oh usa. Sorry for the interruption. Mtd riding mower wiring diagram with yard machine on mtd a9 999 parts for wire diagramrhjackssmallengines ax79s goldrhjackssmallengines namerhgkerbihrsegeltraumbystuisde solved wiring schematic fixyarhfixya ap9p gold lawn tractor rhpartstree expertrhcvbdgallseasonswalbeckde uh9 garden gt 99 rhjackssmallengines i need the diagram lawn tractor model sd rhjustanswer structurerhbgnm. Variety of mtd riding lawn mower wiring diagram.
Mtd 13ax795s004 2015 exploded view parts lookup by model. Wiring diagram light relay inspirationa lawn mower ignition switch. Wiring diagram for mtd ignition switch fresh wiring diagram. Mtd wiring diagram wiring diagram is a simplified suitable pictorial representation of an electrical circuitit shows the components of the circuit as simplified shapes and the capability and signal contacts amongst the devices.
Mtd ignition switch wiring diagram collections of wiring diagram for mtd ignition switch valid 69 awesome wire diagram. 777d17028 label mtd gold fend 474. Parts lookup enter a part number or partial description to search for parts within this model. We have been receiving a large volume of requests from your network.
A wiring diagram is a simplified standard photographic depiction of an electrical circuit. There are 330 parts used by this model. A wiring diagram usually gives guidance virtually the relative approach and treaty of devices and terminals upon the devices to urge on in building or servicing. Wiring diagram for mtd ignition switch valid nissan ignition switch.
Mtd illustrated parts lists and diagrams available online from an authorized mtd dealer. Mtd transmissions top briggs and stratton engines mtd trimmer head parts mtd trimmer heads mtd trimmer line mtd valve kit mtd wheel weights mtd wiring harness worm gears mtd 38 to 42 deck parts.