Printable Template DB
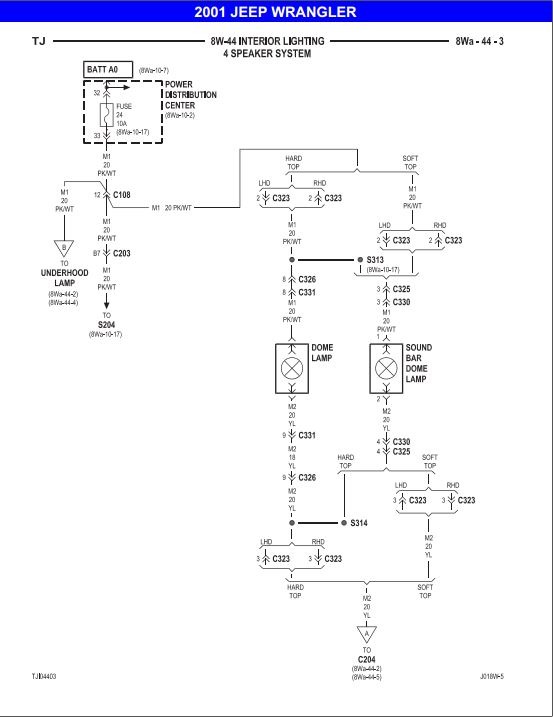
Jeep Jk Dome Light Wiring Diagram
template dissolution of partnership
meyer 22154 wiring diagram
redeem wyndham certificates
truck drivers trip sheet template excel
nashville city map printable
sump pump float switch wiring diagram
star statements resume
rv water pump plumbing diagram
Jeep Wrangler Questions Dome Light On Door Jamb Working
Rock Lights To Dome Light Question Jeep Wrangler Forum
Jk Dome Light Wiring Diagram Wiring Diagram
Rock Light Wiring Schematic Jeep Wrangler Forum
Need Eectrical Help Dome Light Spod For Rock Lights
Rock Lights Lux Page 3 Jeep Wrangler Forum
Jk Dome Light Wiring Diagram Wiring Diagram
Wiring Rigid Lights For Multiple Options With Spod Jk
Jk Dome Light Wiring Diagram Wiring Diagram
Tj Dome Light Cutout Switch
I Have A 1994 Jeep Cherokee Sport When The Power Door
Under Door Courtesy Rock Lights Page 2 Jk Forum Com
Jeep Light Wiring Wiring Library
2010 Jeep Wrangler Tail Light Wiring Diagram Wiring Diagram
Jk Dome Light Wiring Diagram Wiring Diagram
Jeep Yj Wiring Diagram Wiring Schematic Diagram 70
Sound Bar Problem Jeep Wrangler Tj Forum
Alarm Install Parking Brake Wire Help Jk Forum Com The
1999 Tj Fuse 4 In Dome Chime And Interior Lights Don T
Jeep Tj Light Switch Wiring Diagram Ignition Schematic
Diy Jeep Wrangler Jk Isolated Dual Batteries The Road Chose Me
Source :
pinterest.com
Popular Posts
Sample Work Schedule Chart
Printable Cubs Stencil
Wiring Diagram Pioneer Deh P6500
Sap Basis Certification Training
Police Officer Job Description For Resume
Software Skills Resume
Pricing Chart Template
Superhero Mask Template Kids
Wiring Diagram Yamaha Big Bear 350
Sample Termination Letter Due To Company Close Down
Sim Template Download
Ss Active Bas Pickup Wiring Diagram
Online Web Templates
Pre Employment Simple Job Offer Letter Template
Renault Clio Roof Rack
Pharmaceutical Quality System Diagram
Sample Network Diagram Ppt
Nanny Curriculum Sample
Sample Letter Of Notice To Landlord To End Tenancy
Word Document Template Design Free Download
Project Schedule Calendar Template
What Is Resume Screening Software
Wharton Professional Certificates
Wiring Diagram For 7 Pin Trailer Hitch
Termination Of Employment Contract Letter Template
Painles Wiring Diagram Turn Signal
Printable Bunnies Easter
Standard Operating Procedure Sample Standard Operating Procedure Template For Procedure Manual
Website Design Form Template
Media Partnership Proposal Template
Primary School Graduation Speech Samples By Students
Technical Proposal Template Word
Sample Purchase Requisition Form Template
Style Email Template
Memorial Scholarship Template
Pmp Certification Harvard
Triumph Tr6 Wiring Diagram
Seed Packet Template For Microsoft Word
Printable Love Letter Template Design Free
Talent Show Template
Teacher Aide Resume Examples
Sample Profit Loss Statement For Self Employed
No Mini Progressive Wiring Yellow Bullet
Paper Airplane Templates Free
Study Schedule Template Aesthetic
Simple Family Budget Worksheet
Payroll Accountant Job Description Sample
Office Memo Template Free Download
Payment Requisition Template Excel
Project Management Multiple Project Status Report Template
Sample Memorial Cards
Toyotum Sequoium Wiring Harnes
Sony Cdx Gt540ui Wiring Diagram
Two Weeks Notice Reason Two Weeks Notice Resignation Letter Sample
Printable Monthly Calendar 2019 20