Printable Template DB
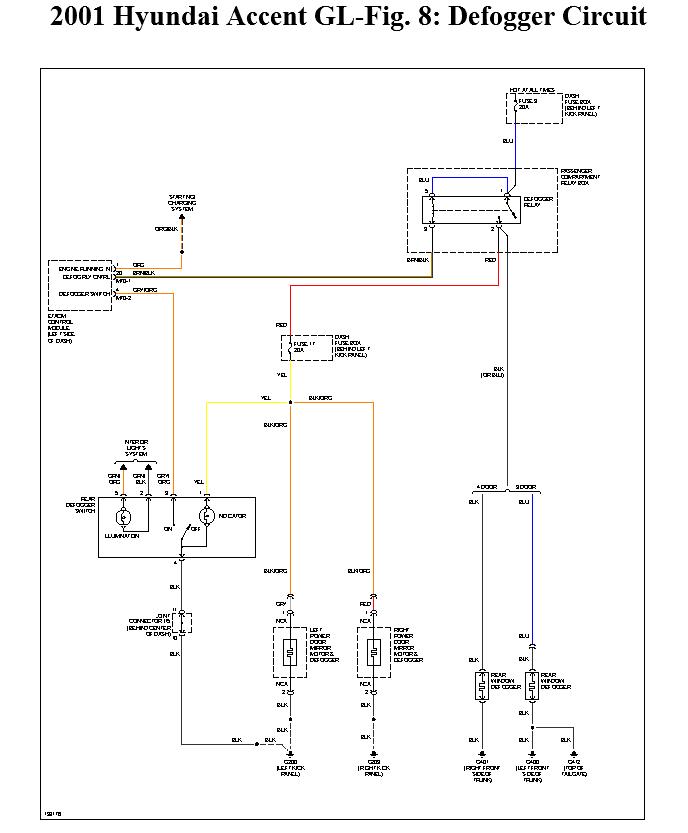
Hyundai Accent Fog Light Wiring Diagram
mexican strat lace sensor wiring diagram
what a resume should look like in 2020
printable baby shower thank you cards
simple diagram of dc generator
suggestion box template
real estate agent business cards templates
xml blogger templates
sample wedding event planner contract
Need The Headlight And Fog Light Wiring Diagram For 2012
Need The Headlight And Fog Light Wiring Diagram For 2012
Rear Fog Not Works Hello I Have A Hyundai Accent L 01 I
How To Install Fog Lights And Light Switch On Steering Wheel
Fog Light Fuse Hyundai Forums
Fog Light Lamp Complete Kit Wiring Harness For 2012 2017
Low Beam Is Not Working I Have A Hyundai Accent 1999 And
Details About New Oem Fog Light Lamp Complete Kit Wiring Harness For Hyundai Accent 2012 2013
I Have An 07 Hyundai Sante Fe Gls Which Did Not Come With
Need The Headlight And Fog Light Wiring Diagram For 2012
Add On Oem Fog Lights And Auto Headlights Hyundai Forums
Diy Install Oem Fog Lights And Hids On 2010 2012 Hyundai Genesis Coupe
Low Beam Is Not Working I Have A Hyundai Accent 1999 And
Selecting And Installing A Set Of Fog Lights
2011 2013 Hyundai Elantra Fog Light Lamp Complete Kit Wiring
Details About New Oem Fog Light Lamp Complete Kit Wiring Harness For Hyundai Accent 2012 2013
Hyundai Elantra Fuse Box Location 2016 2004 2014 Diagram
For 2017 Hyundai Elantra Ad Led Drl Fog Lights Dual Function Turn Signal Lh Rh
Need The Headlight And Fog Light Wiring Diagram For 2012
Fuse Box For Accent Diagram Data Schema Wiring Diagrams
Dodge Ram Fuse Diagram Wiring Schematic Box Accent Hyundai
Source :
pinterest.com
Popular Posts
Free Printable 3rd Grade Math Word Problems
03 Sonatum Ckp Wiring Diagram
Emergency Teacher Certification
Data Analyst Job Description Sample
High School Diploma Certificate Template Free
It Project Report Template
05 Crown Vic Fuse Diagram
Ford 1100 Tractor Wiring Diagram
Customer Enquiry Letter Sample For A Quotation
Ford Contour Transmission Diagram
Chevy V8 Twin Turbo Kit
2003 Chevy Silverado Stereo Wiring Harnes
Gretsch Wiring Schematic
Av Equipment Wiring Diagram
C240 Engine Diagram
Digital Marketing Dashboard Template
Banner Collage Template
Downloadable House Template Printable Pdf
Iso 17024 Certification
Complete The Conversation Worksheet
Kindergarten Weekly Newsletter Template
Diy Printable Birthday Cards
Emoji Bridal Shower Game Free Printable
Diagram Of Earth Core
How To Write A Resume Cover Letter For A Job
Excel Spreadsheet Daily Timesheet Excel Template
2008 Bmw 328i Distrabution Box
Intranet Html Templates
Ae86 Wiring Ignition
First Resume Template
Free Printable Math Worksheets For Grade 4 Multiplication
Iso 13485 Certification
Chevy Starter Wiring From 3 Wire To A 2 Wire
Excedrin Migraine Coupon Printable
Digital Marketing Resume Sample
Editable Free Sales Receipt Template
Ford F 350 Fuse Panel Diagram 2013
1985 Mustang Wiring Diagram
Finding The Main Idea Worksheets With Answers High School
2006 4runner Fuse Box
4x6 Postcard Mailing Template
Gmail Send Read Receipt
Acura Wiring Harnes
Free Printable Pdf Free Printable Rental Lease Agreement
Free School Attendance Sheet Template
98 528i Fuse Box
Daihatsu Immobilizer Wiring Diagram
1965 C10 Pickup
2002 Ford Ranger 3 0 Engine Diagram
Cloud Migration Template
Computer Repair Computer Problem Report Form Template
Customizable Editable Wedding Invitation Templates
10 Label Template Avery
Construction Safety Manual Template
Commissioned Art Contract Template