Printable Template DB
Celica Wiring Diagram
sr20de wiring diagram
transparent id card template png
training manual template google docs
therapy rabbit certification
outline video script template word
printable locker name tags
sample thank you letter to recruiter
yoga certification florida
Celica Wiring Diagram Wiring Schematic Diagram
Repair Guides
Repair Guides
1990 1993 Gen 5 Toyota Celica Electrical Wiring Diagram
Celica Wiring Diagram Wiring Schematic Diagram
Celica Wiring Diagram Wiring Schematic Diagram
2002 Toyota Celica Wiring Diagram Manual Original
2000 Celica Wiring Diagram Gts Toyota Ignition New Elegant
1990 1993 Gen 5 Toyota Celica Electrical Wiring Diagram
2002 Toyota Celica Wiring Diagram Wiring Library Diagram A5
Repair Guides
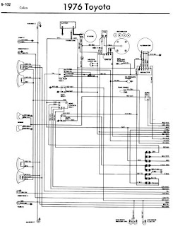
Voltase Hobby Toyota Celica A20 1976 Wiring Diagrams
Toyota Celica Wiring Diagram Wiring Diagram
Celica Wiring Diagram Celicatech
Toyota Celica Wiring Diagram Twistedbunsbakery Com
2000 Celica Wiring Diagram Gts Toyota Ignition New Elegant
1989 Toyota Celica Wiring Diagram Wiring Diagram Third Level
Toyota Celica Stereo Wiring Diagram My Pro Street
1982 Supra Electrical Wiring Diagrams
1997 Toyota Celica Wiring Diagram Manual Original
1996 Celica Wiring Diagram Digital Resources
Source :
pinterest.com
Popular Posts
Free Printable Monthly Blood Sugar Log Sheet
Ceramic Coating Certification
2012 Ford Fusion Fuse Panel Diagram
Customizable Employee Handbook Template
Blog Template Html Css
Ab Wiring Diagram For 2004 Trailblazer
1982 Chevette Wiring Diagram
Deposit Slip Sample
Chevy Radio Diagram
Bing Analytics Certification
2004 Ford Expedition Horn Relay
Beautycounter Gift Certificate Template
Bubble Invitation Template
Best Website Templates 2019
Amp Wiring Diagram Crutchfield
Amp Certification Aviation
4x9 Postcard Template
Clairol Root Touch Up Printable Coupon
Farewell Email Templates To Colleagues
Fitness Cute Workout Planner Template
How Do I Make A Resume Without Microsoft Word
Aprilaire 550 Wiring Diagram
Free Children S Church Bulletin Templates
Human Trafficking Certificate
Jaguar Fuse Box
2005 Dodge 1500 Leveling Kit
2007 Chevy Wiring Diagram Vent Control Solenoid
Design System Website Template
History Website Template
Free Animation Templates For Video
Google Docs Project Template
Add Receipt To Subway Rewards
Free Baby Announcement Templates Photoshop
Different Wiring Diagram
Avis E Receipt
Best Salesforce Certification For Project Manager
1996 Infiniti G20 Fuse Diagram
Cms 1500 Template Pdf
Ford 300 L6 Wiring Diagram
Employee Suggestion Box Form Template
Gamecube Controller Wiring Diagram Right Stick
Cj5 Engine Diagram
Funeral Service Booklet Template
Edx Harvard Data Science Certificate
Free Butterfly Pop Up Card Templates
For A Farmall 656 Wiring Diagram
Cradle Of Aviation Printable Coupons
Ford 8n 12v Wiring Diagram
2000 Focu Fuse Box Interior
Free Printable Lease Template
Fender Squier Affinity Strat Hss
Company Expense Policy Template
Chevy Starter Wiring From 3 Wire To A 2 Wire
Free Cash Flow Statement Template Excel
Buying A House Contract Template