Printable Template DB
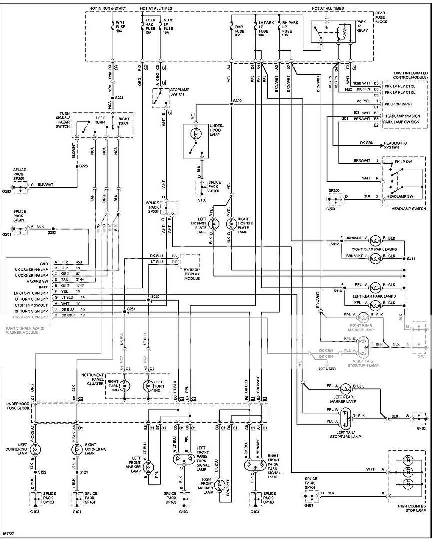
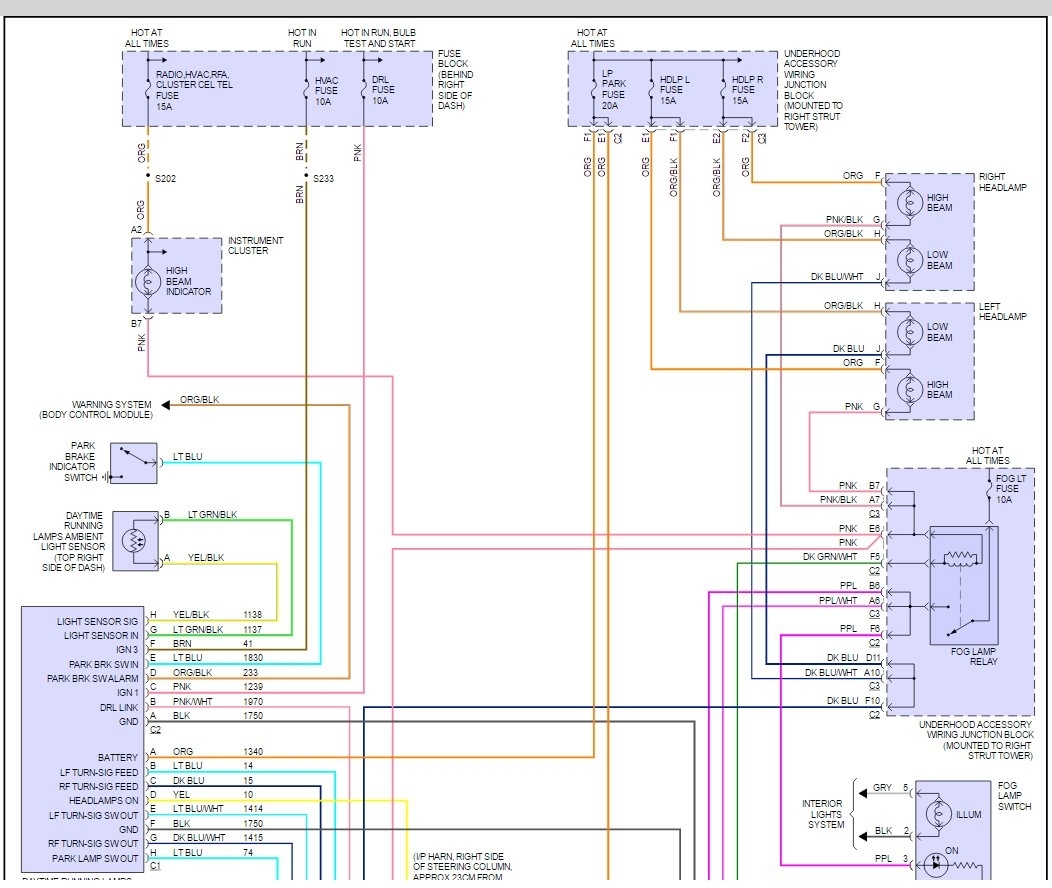
Buick Lesabre Headlight Wiring
travel itinerary planner template free
six sigma project charter template excel
risk assessment sample template
mercede benz 2004 ml350 fuel filter
medical power of attorney texas template
safeway gift certificates canada
partnership profit sharing letter sample
western star 4900 fuse box diagram
Solved Anyone Have A Headlight Wiring Diagram For A 98 Fixya
Solved 2000 Buick Century Headlight Pigtail Wiring Fixya
1998 Buick Lesabre Wiring Diagram Free Wiring Schematic
Repair Guides
Buick Century Questions My Front Lights Dont Work But My
2005 Buick Lesabre Wiring Diagram Wiring Forums Buick
Repair Guides
Where Can I Find A 2001 Buick Lesabre Wiring Diagram For
Wire Diagram 95 Buick Century Wiring Diagrams Online
Buick Regal Tail Lights Diagram Buick Forums
Buick Regal Tail Lights Diagram Buick Forums
Buick Wiring Diagrams 1957 1965
Buick Headlight Wiring Wiring Diagram
Details About 1969 Buick Wildcat Electra 225 Limited Lesabre Headlight Wiring Harness
How To Replace Headlights Bulbs 00 05 Buick Lesabre
2000 2005 Buick Lesabre Motor Bay Faro Cableado Arnes Oem 00
Headlights Wont Come On 99 Buick Regal Headlights Wont Come
Buick Wiring Diagrams 1957 1965
99 Buick Regal Wiring Diagram Wiring Diagram
Interior Electrical Issues 1997 Buick Lesabre Dewitz
Repair Guides
Source :
pinterest.com
Popular Posts
Performance Management Template Word
Math Problems 3rd Grade Worksheet
Staff Augmentation Contract Template
Use The Distributive Property And Combine Like Terms Worksheet Answers
Stay At Home Mom Resume Cover Letter
Resume Submission Email
Sample Introduction Mail
Where To Buy Printable Sticker Paper
Staff Training Training Report Template
Online Resume Wizard
Recording Contract Template
Lesson Plan Template Kindergarten
Quarterly Income Statement Excel Template
Solidworks Cswa Certification
Soccer Contract Template
Sample Cake Contract Template
Portfolio Layout Template
Sign Up Sheet Template Christmas
Payment Document Simple Payment Agreement Template Word
Printable Monthly Calendar For December 2019
Stone Soup Printables
Occupational Therapy Treatment Plan Template
Press Kit Dj Template Free
Template Lego Head Printable
Speed Coach Certification
View Security Certificate
Powerpoint Raci Template Free
Purchase Order Template Google Docs
Rental Agreement Template Utah
Quote Templates Australia
Letter Of Intent Example College
Packing List Template Free Download
Usmc Book Report Template Pdf
Medical Assessment Form Template
Stencil Butterfly Template Small
Potty Training Chart Printable Girl
Online Order Form Template
Wiring Harnes For Ford Expedition
Non Disclosure Agreement Texas Template
Problem Statement And Solution Ppt Template
Pepper Spray Certification
Sonoma Wiring Diagram Of Heater
Mac Laptop Diagram
School Website Templates Wordpress
Paper Flower Template Pdf Free
Senior Caregiver Caregiver Resume Sample For Elderly
Osha 60 Certification
Separation Agreement Template Word
Performance Evaluation Sample Appraisee Comments For Performance Appraisals
Totally Free Printable Lease Agreement
Payroll 1099 Pay Stub Template Pdf
Simple Contract Agreement Sample
Wholesale Printable Clothing
Mot Certification Check
Mortgage Lead Sheet Template