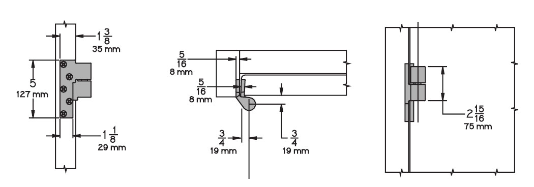
7226 Intermediate Pivot Template

It is non load bearing maintains door alignment and get fully mortised into the door.
7226 intermediate pivot template. For direct access to templates organized by brand and function visit our template directory. Use for door heights over 70 and one every 26 as needed. Intermediate pivots be used to hang a door but most of the weight is carried by the bottom pivot as each intermediate pivot can only carry 90 pounds. Ives does not offer any lead lined pivots.
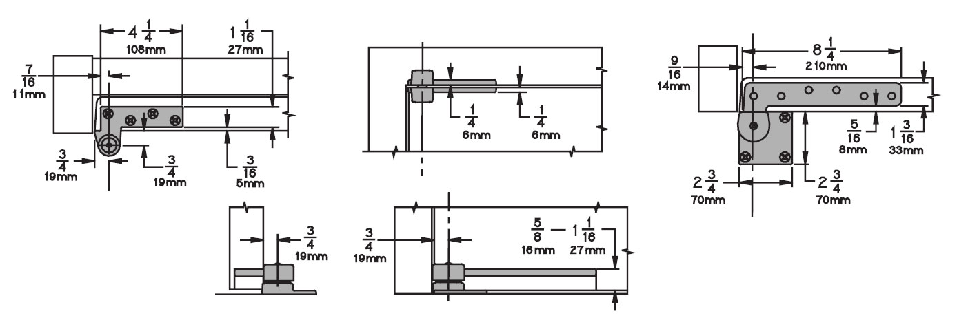
Ives offers a complete line of 34 offset 1 12 offset center hung intermediate pocket and power transfer pivots with all exposed parts made of brass or stainless steel for maximum corrosion resistance. Offset pivot set this ives 7226 set is a 34 offset pivot set. Model ml19 34 offset intermediate pivot installation instructions. Visit the document library.
This set includes a top and bottom pivot for doors that weigh up to 600 lbs. Use for door weight over the pivot set limit. Optional 7215 7226 7227or 7226f 722 intermediate pivot handed for each additional 100 pounds or doors over 7. Model fml19 34 offset intermediate pivot installation instructions.
Optional 7226pt power transfer four wires non load bearing. Center and pocket pivots also provide an aesthetic option for an opening. The hole pattern for the mounting screws are offset allowing the lead lining of the doors not to be affected by the mounting screws. 7226 pivot set 7226f pivot set 7226 pivot set 7226f pivot set 7226 7226f 34 offset pivot non handed.
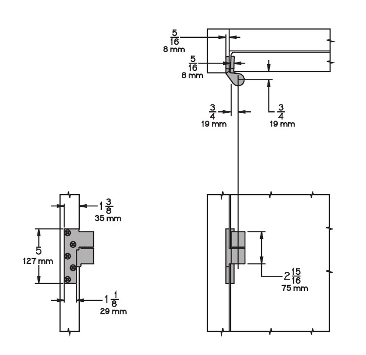
What is the warranty on ives products. Is the ives 7226 pivot handed. Pivots pivot sets catalog. Pivots door preparation templates pivot model template 7212 pivot set inst7212 7212 intermediate pivot used with pivot sets 7212 7212v and 7222 inst7212i 7212v pivot set inst7212v 7215 and 7215f pivot set inst7215 7215 and 7215f intermediate pivot used in 7215 7215f 7226 7226f 7227 and 7227f inst7215i.
Some of the ives pivots can be used on lead lined doors such as the 7230f 7237f 7230f7237f int. Model fml19 34 offset intermediate pivot template. 34 offset full mortise intermediate pivot this ives 7226int is a 34 offset intermediate pivot. See page a49 7226 ul listed 20 minute fire doors.