Printable Template DB
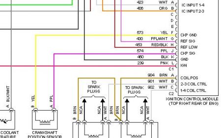
1999 Grand Am Ignition Module
free logo ideas templates
2020 april calendar printable free
customizable employee handbook template
cb wiring diagram
free printable appointment calendar
blue light wiring harnes
counseling proposal template
cool resume templates for word
Part 2 How To Test The Ignition Module And Crank Sensor Gm
1999 Pontiac Grand Am Alero 2 4l Ignition Control Module Replace Repair
Pontiac Grand Am Ignition Control Module Best Ignition
Ignition Module Control Unit Ignitor 1999 Pontiac Grand Am
Part 1 Testing The Ignition Module And Crank Sensor Gm 3 1
Part 2 Testing The Ignition Module And Crank Sensor Gm 3 1
1999 Pontiac Grand Am Mis Firing Car Is Running On 2
2000 Pontiac Grand Am Service Repair Manual
Pontiac Grand Am Ignition Control Module Best Ignition
How To Tell If You Have A Bad Ignition Control Module
Part 1 How To Test The Ignition Module And Crank Sensor Gm
2000 Pontiac Grand Am Service Repair Manual
Grand Am Passlock Security System Repair
Look Inside Gm 2 4l Twin Cam Ignition Module Housing And Coil Assembly
1aerk00199 Ignition Coil Module
Part 1 How To Test The Ignition Coils Gm 2 4l Quad 4
Gm Passlock Security Fix
How To Replace Ignition Coil 4 0 1999 2004 Jeep Grand Cherokee
Part 1 Gm 3 8l Ignition Control Module And Crank 3x 18x
Delphi Gn10112 Ignition Control Module
Pontiac Grand Am Questions Where Is Computer Located On
Source :
pinterest.com
Popular Posts
Retirement Wishes For Coworker Sample
Mx5 Mk1 Fuse Box Diagram
Three Phase Induction Motor Delta Connection
Small Business Templates Free
Nissan Pickup Ignition Wiring Harnes
Musician Business Card Template
Sample Cost Reduction Proposal
Pronounce Template
Marketing Coach Certification
One Pager Template Pdf
Top Ecommerce Templates
Optometry Certification Courses
Supplier Agreement Contract Template
Lesco Walk Behind Spreader
Subcommittee Report Committee Report Template
Teacher Certification Degrees
Short Term Lease Agreement Template
Sample Resignation Letter With Immediate Effect No Notice
Nissan Frontier Fuse Diagram
Vermont Bartender Certification
Sample Annual Training Plan
Printable Blank Lesson Plan Template Free
Weekly Home Budget Template
Operating Budget Budget Template For Nonprofit Organization
Patient Intake Form Template
Sample Resume Format For Hotel Industry
Sample Letter Of Affidavit Of Support For Marriage
Professional Format Sample Professional Resignation Letter
Wiring Diagram For 6 Pin Connector
Template Curriculum Vitae Sample
Types Of Chemical Bonds Worksheet Answers
Printable Free Construction Bid Template
Resume Help Seattle
Template Sample Progress Report
Sample Of Monthly Accomplishment Report In Office
Letter Of Inquiry Sample For Students Pdf
Professional Resume Format In Word Download
Small Printable Stickers
Project Fact Sheet Sample
Simple Html Templates Images
Non Compete Agreement Ohio Template
Real Estate Website Templates
Professional Personal Profile Template Word
Sample Best Letterhead Design
Led Push Switch 250vac Wiring Diagram
Simple Microsoft Excel Bank Reconciliation Template
Pdf Blank Utility Bill Template
Mk1 Golf Fuse Box Wiring Diagram
Strategic Partnership Letter Sample
Powerpoint Template For Retirement Party
Squier Affinity Stratocaster Lake Placid Blue
Vehicle Inspection Template Excel
Printable Whoville Backdrop
Spanish Menu Template
Ticket Design Templates Free Download