Printable Template DB
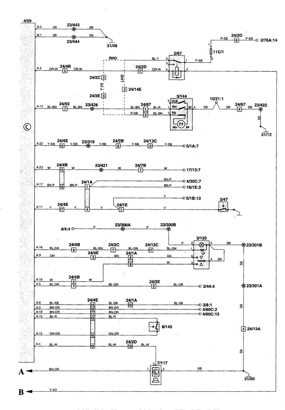
1998 Volvo S70 Heater Wiring Diagram
free printable daily planner template 2020
basic atomic structure worksheet answers pdf
2004 gmc sierra 2500 stereo wiring diagram
2003 chevy impala door diagram
green fuse box
2004 lincoln town car wiring diagram
email responder template
2002 infiniti q45 steering wheel
1998 Volvo S70 Dashboard Wiring Diagram Wiring Library
Repair Guides
Repair Guides
Volvoguard Anti Theft System Service Manual Volvotips
1998 Volvo S70 V70 C70 Coupe Wiring Diagrams Download
Volvo 850 Starter Motor Service Repair Manual Volvotips
Volvo V70 Blower Motor And Resistor Testing 1998 2007
850 Heated Seat Not Working Here S The Fix
Wrg 3427 Wiring Diagram 1998 Volvo V70 Glt
Volvo 850 Power Seats With Memory Service Manual Volvotips
Volvo V70 Blower Motor And Resistor Testing 1998 2007
Wrg 3813 1998 Volvo S70 Heater Wiring Diagram
Full Flow Heater Core Air Flow Duct System Operation Volvo 850 S70 V70 Etc Auto Info Series
Volvo V70 Heating Cooling System 1998 2010 At The Swedish
Vacuum Lines On Non Turbo 1993 2000 850 S70 V70 Xc70
1998 Volvo S70 Ac Wiring Diagram Wiring Diagram
Volvo V70 Wikipedia
Volvo Wiring Schematics Wiring Schematic Diagram 42
Wrg 6760 Wiring Schematic For 1998 Volvo S70 Heating Syste
Volvo 850 Ecc Climate Control Ac Heater System Service
Heated Seat Wiring Available Volvo Forums Volvo
Source :
pinterest.com
Popular Posts
Formal Menu Template
Aanp Fnp Certification Exam Application
240v Outlet Diagram
Bona Fide Marriage Affidavit Letter Sample
Fuse Box Terminal
Event Satisfaction Survey Template
Delivery Note Template
Decimal Place Value Worksheets 4th Grade Pdf
Gantt Chart Schedule Excel Template
2003 Jaguar X Type Fuse Box Diagram
Chevy Equinox Diagram
Intertherm Wiring Diagram Heat
Free Printable Animal Report Template
Clogged Fuel Filter Symptoms Motorcycle
2000 Gmc Truck Radio Wiring Diagram
Ford Starter Wiring
Employee Handbook Template Word Malaysia
2006 Hhr Fuel System Diagram
1989 Engine Diagram Pontiac Parisian
Credit Reference Request Template
After Hours Email Response Template
Employee Evaluation Form Template
1997 Mitsubishi Lancer Fuse Box Diagram
Customizable Powerpoint Family Tree Template
Avery 11416 Label Templates
Honeywell 3000 Thermostat Wiring Diagram
Brain Map Template
Google Sheets Monthly Timesheet Template
Excel 50 30 20 Budget Template
Azure Analytics Certification
6th Grade Operations With Fractions Worksheet
1996 Geo Tracker Engine Electrical Diagram
Ethernet Smoothstepper G540 Wiring Diagram
2000 Gsxr 600 Wiring Diagram
Hospital Newsletter Template
1994 Ram 1500 Headlight Wiring Diagram
Casual Wedding Invitation Templates
Annual Leave Application Sample Letter
Chevy 2 5 Engine Cooling Diagram
Fuse Box On 2013 Dodge Dart
Buick 350 V8 Engine Diagram
Friendly Resignation Letter Samples
1996 Ford Ranger Radiator Diagram
Construction Invoice Template Pdf
Free Printable Rhyming Books
Fiat 500 Fuse Box Diagram
Event Planner Contract Template Free Download
1991 Club Car Wiring Diagram Ga
2011 Nissan Titan Fuse Diagram
Business Trip Report Template
Free Printable Stencil Patterns
Farmall H 12 Volt Wire Diagram
2002 S500 Speed Sensor
Commercial Invoice Sample
1993 Lincoln Town Car Wiring Diagram